Abbildung ähnlich
S&P

S&P Schallgedämmter Rohrventilator TD-500/150-160 SILENT ECOWATT mit EC-Motor DN150/160

10829014 99562
auf Anfrage
je 1 STK
Für Preis und Lagerbestand bitte einloggen / registrieren

Verkaufsdaten

Mindestbestellmenge 1 STK
Bestellschritt 1 STK

Beschreibung

Schallgedämmter Rohrventilator TD-500/150-160 SILENT ECOWATT mit EC-Motor

Schallgedämmte Rohrventilatoren mit Volumenströmen bis 1.660 m³/h.

Die Baureihe ist mit energieeffizienten EC-Außenläufermotoren ausgestattet.

Die halbradiale Bauart sowie die aerodynamisch und akustisch optimierte Gestaltung der Ventilatoren garantieren hohe Volumenströme und einen geräuscharmen Lauf bei kompakten Abmessungen.

Die Geräte können in jeder Achslage betrieben werden.

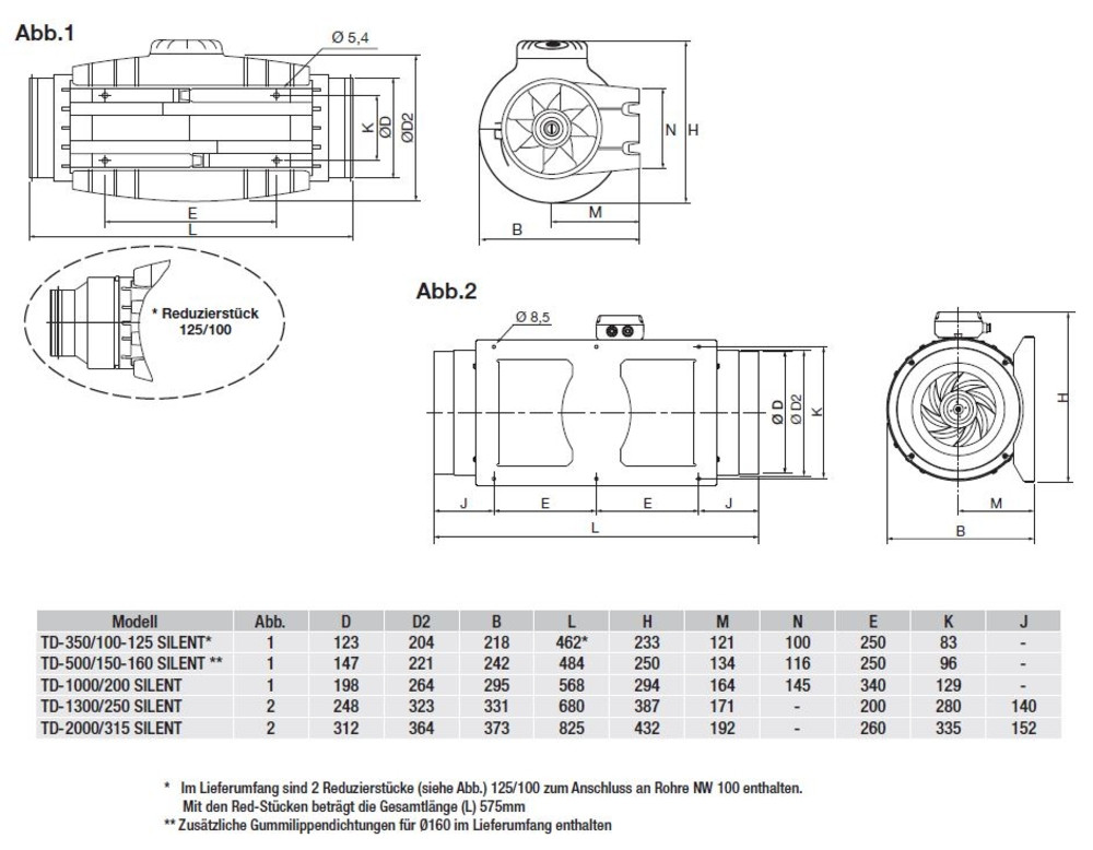
Gehäuse
  • Schallgedämmte Konstruktion
  • Komplett mit Montagekonsole
  • Schwingungsdämpfende Dichtungen zwischen Konsole und Motoreinheit
  • Für Installations- und Wartungsarbeiten leicht zu entfernende Motoreinheiten
  • Außenliegender Klemmenkasten (bei den Modellen 350 bis 1000 ist der Deckel mit Kabelverschraubung um 360° drehbar)
  • Die Anschlussstutzen entsprechen den gängigen Rohrdurchmessern NW 100 bis NW 315 (Die Anschlussstutzen 100 bis 200 sind mit Gummilippendichtungen ausgestattet)
  • Material des Gehäuses:
    • Modelle 250 bis 1000: Schlagfester PP-Kunststoff
    • Modelle 1300 und 2000: Stahlblech mit Epoxid-Polyester-Beschichtung, weiß
Laufräder
  • halbradiale Bauweise
  • Statisch und dynamisch ausgewuchtet gemäß ISO 1940
  • Material des Laufrades
    • Modelle 350 bis 1000: ABS Kunststoff
    • Modelle 1300 und 2000: Aluminium
Motoren
  • EC-Motoren
  • Spannungsversorgung 230 V, 50/60 Hz
  • Schutzart IP 44
  • Wärmeklasse B
  • Motorbemessung Dauerbetrieb S1
  • Geschlossene Kugellager ? wartungsfrei
  • 100% drehzahlregelbar
  • Integriertes Drehzahlpotentiometer
  • Signaleingang 0-10 V (<1V = Aus)
  • Ausgang 10 V

Merkmale

Typ TD-500/150-160 SILENT ECOWATT
Gewicht [kg] 6.0
Nennweite 160 mm
Motortyp EC

Varianten

S&P

S&P Schallgedämmter Rohrventilator TD-250/100 SILENT DN100 10829022 99562

Für Preis und Lagerbestand bitte einloggen / registrieren
auf Anfrage
je 1 STK
S&P

S&P Schallgedämmter Rohrventilator TD-350/100-125 SILENT ECOWATT mit EC-Motor DN125 10829013 99562

Für Preis und Lagerbestand bitte einloggen / registrieren
auf Anfrage
je 1 STK
S&P

S&P Schallgedämmter Rohrventilator TD-350/125 SILENT DN125 10819936 99562

Für Preis und Lagerbestand bitte einloggen / registrieren
auf Anfrage
je 1 STK
S&P

S&P Schallgedämmter Rohrventilator TD-500/150-160 SILENT ECOWATT mit EC-Motor DN150/160 10829014 99562

Für Preis und Lagerbestand bitte einloggen / registrieren
auf Anfrage
je 1 STK
S&P

S&P Schallgedämmter Rohrventilator TD-1000/200 SILENT ECOWATT mit EC-Motor DN200 10829015 99562

Für Preis und Lagerbestand bitte einloggen / registrieren
auf Anfrage
je 1 STK